Узел подшипниковый UCP-211 выдерживает высокие радиальные нагрузки. Подшипниковые узлы серии UCP самоцентрирующиеся и имеют возможность применения консистентной смазки. Корпус чугунный, подшипник стальной.
Bi, мм: 55,6
Артикул: UCP211TECHNIX
Серия: UCP
Внутренний диаметр d, мм: 55
Материал: чугун СЧ20
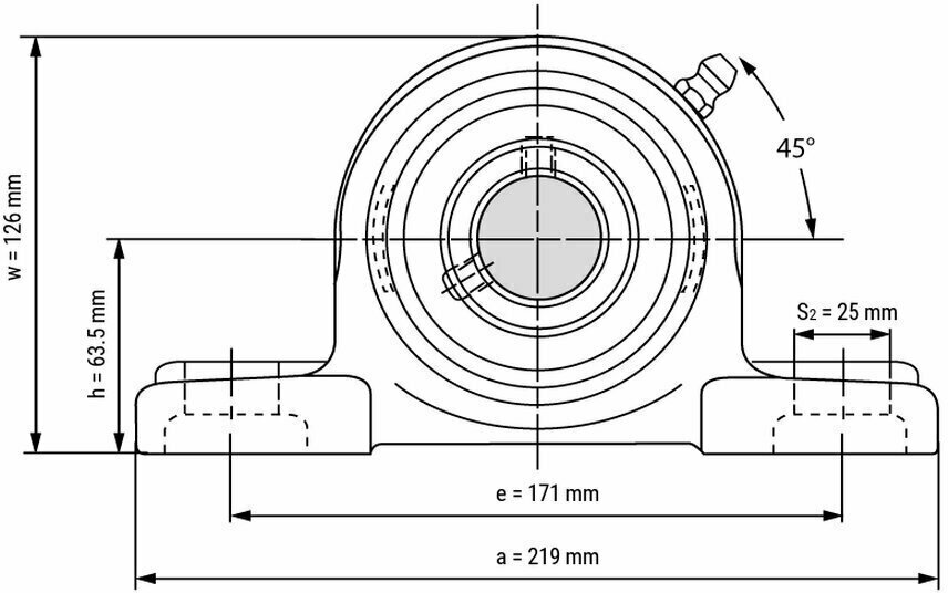
Межцентровое расстояние креплений на корпусе e, мм: 171
Допустимая динамическая нагрузка C, N: 41230
Высота крепежной площадки g, мм: 22
Допустимая статическая нагрузка Co, N: 27930
Внутренняя глубина подшипника Bi, мм: 55,6
Высота от основания до середины центра оси подшипника h, мм: 63,5
Размер от края подшипника до середины шарика n, мм: 22,2
Диаметр крепежного отверстия S1, мм: 20
Ширина крепежного отверстия S2, мм: 25
Высота корпуса w, мм: 126
Длина корпуса a, мм: 219
Ширина корпуса b, мм: 60
Применяемый подшипник: UC
Применяемый корпус: P
Крепежный винт: М16
Вес, кг: 3,31
Это корпус с установленным корпусным подшипником. Такие отдельно стоящие подшипниковые опоры применяются там, где нет возможности установить в имеющийся корпус ещё один подшипник или из-за неудобства монтажа, обслуживания. Узлы средней и тяжелой серии (диаметр вала более 50 мм) применяются: - в строительной и горнодобывающей технике, где трудно обеспечить соосность. - в легкой промышленности - это ткацкие станки, крутильные и прядильные машины. - в машинах для деревообработки, производства бумаги, текстиля, машинах для упаковки. - в сельском хозяйстве - в дисковых батареях, прикатывающих катках, заделывающих дисках посевной техники и др. механизмах.