Вентилятор является универсальным, и наиболее часто применяется в составе с радиаторами для отвода тепла. Он может быть легко смонтирован в технический проём или вентиляционный канал, встроен в корпус оборудования и несущую конструкцию. Эффективная и надежная работа вентиляторов серии YWF послужила их широкому распространению в области холодильного, вентиляционного, сушильного оборудования.
Широкий диапазон рабочих температур (от -30 до +60 °C) позволяет использовать данный вентилятор для широкого ряда задач, совместимость будет обусловлена техническими характеристиками и присоединительными размерами (подробный чертеж приложен).
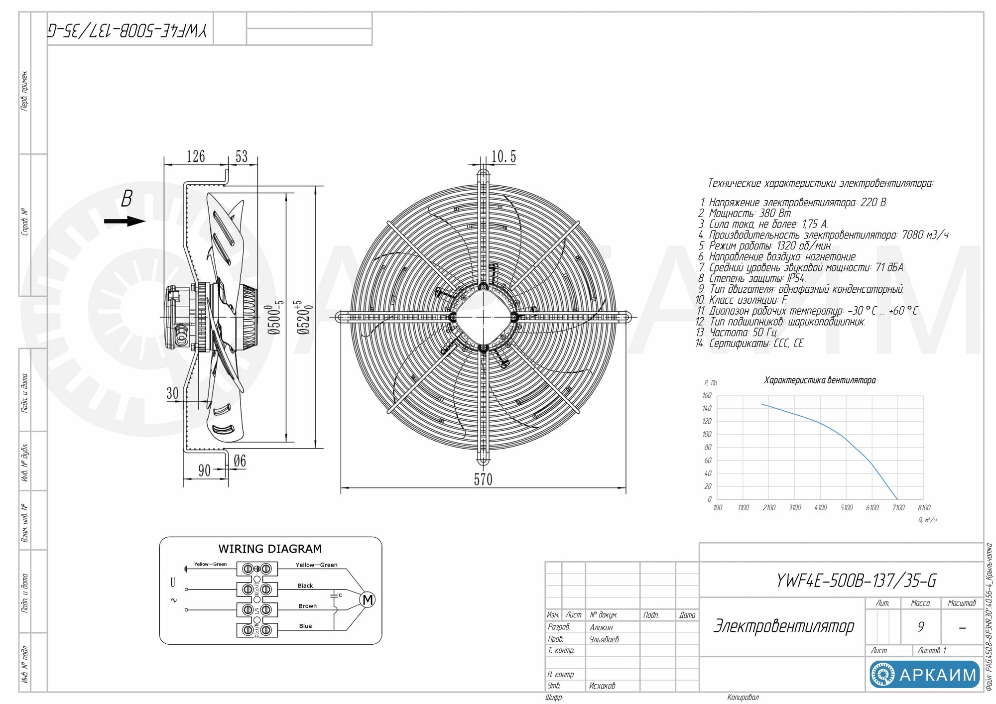
Технические характеристики:
- Диаметр крыльчатки: 500 мм;
- Воздушный поток: 7155 м3/час;
- Мощность: 380 Ватт;
- Скорость вращения: 1320 об/мин;
- Напряжение питания: 220 В;
- Уровень шума: 69 дБА;
- Направление потока: нагнетание (на радиатор);
- Степень защиты: IP44, IP54;
- Рабочая температура: от -30 до +60 °C;
- Подробные размеры: на чертеже в фотографиях.
Вентилятор Weiguang YWF4E-500В-137/35-G комплектуется двухфазный малошумным электродвигателем с 4 полюсами, параметры входного напряжения: 220 В/50 Гц. Данная модель вентилятора работает на нагнетание (на радиатор) и может создать максимальный поток воздуха, равный 7155 м3/час.
Крыльчатка вентилятора YWF4E-500В-137/35-G изготовлена из углеродистой стали с износостойким лакокрасочным покрытием и имеет динамическую балансировку в двух плоскостях для максимального снижения уровня шума.