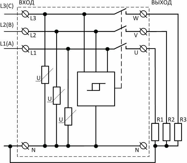
Порог отключения нагрузки при повышении напряжения, Umax (tоткл=0,5с), В: 243, 249, 255, 261, 267, 273, 279, 285, 291, 297±3
Порог отключения нагрузки при снижении напряжения, Umin (tоткл=10с), В: 217, 211, 205, 199, 193, 187, 181, 175, 169, 163±3
Порог ускоренного отключения нагрузки при скачке напряжения (tоткл=30мс), В: 300
Порог отключения нагрузки при провале напряжения (tоткл=100мс), В: 110
Допустимый разброс напряжений по фазам, не более, %: 25
Ширина зоны «гистерезиса» порога срабатывания, %: Uном ± 2,5
Порог срабатывания по частоте, Гц: 45/55 ±0,5
Уровень ограничения напряжения при токе помехи 100А, не более, кВ: 1,2
Максимальная энергия поглощения (одиночный импульс 10/1000мкс), Дж: 200
Максимальный ток поглощения, одиночный импульс 8/20мкс/повторяющиеся импульсы 8/20мкс, А: 6500/4500
Время срабатывания импульсной защиты, нс: <25
Питание:
Номинальное напряжение питания, В: 230
Частота напряжения питания, Гц: 50
Максимальное напряжение питания, В: 440
Потребляемая мощность, ВА: 2,2
Коммутирующая способность контактов:
Номинальный ток нагрузки (при сечении подключаемых проводов не менее 16мм2, медь), нагрузка АС1 (активная, резистивная), А: 63
Номинальный ток нагрузки (при сечении подключаемых проводов не менее 16мм2, медь), нагрузка АС3 (индуктивная, реактивная), А: 25
Номинальная мощность нагрузки (АС250В) по каждой из фаз, кВт: 14,5
Максимальное коммутируемое напряжение, В: 400
Максимальный пропускаемый ток короткого замыкания (не более 10мс), А: 4500
Технические данные:
Задержка включения/повторного включения, переключается пользователем: 2с, 5с, 10с, 15с, 20с, 30с, 1мин, 2мин, 4мин, 8мин
Задержка отключения при повышении напряжения выше верхнего порога, с: 0,2
Время ускоренного отключения нагрузки при скачке напряжения, tоткл, мс: 30
Задержка отключения при снижении напряжения ниже нижнего порога, с: 10
Время отключения нагрузки при провале напряжения, tоткл, мс: 100
Сечение подключаемых проводников не менее, мм²: 0,5-25 (20-4 AWG)
Диапазон рабочих температур (по исполнениям), 0С: -25…+55 (УХЛ4)-40…+55 (УХЛ2)
Температура хранения, 0С: –40.+70
Помехоустойчивость от пачек импульсов в соответствии с
ГОСТ Р 51317.4.4-99 (IEC/EN 61000-4-4) : уровень 3 (2кВ/5кГц)
Помехоустойчивость от перенапряжения в соответствии с
ГОСТ Р 51317.4.5-99 (IEC/EN 61000-4-5) : уровень 3 (2кВ А1-А2)
Климатическое исполнение и категория размещения по ГОСТ 15150-69 (без образования конденсата): УХЛ4 и УХЛ2
Степень защиты реле корпус/клеммы : IP40/IP20
Степень загрязнения в соответствии с ГОСТ 9920-89 : 2
Влажность, %: до 80 (при 25°С)
Высота над уровнем моря, м: до 2000
Рабочее положение в пространстве : произвольное
Режим работы : круглосуточный
Габаритные размеры, мм: 105х63х94
Масса, не более, кг: 0,45
Срок службы, не менее, лет: 10