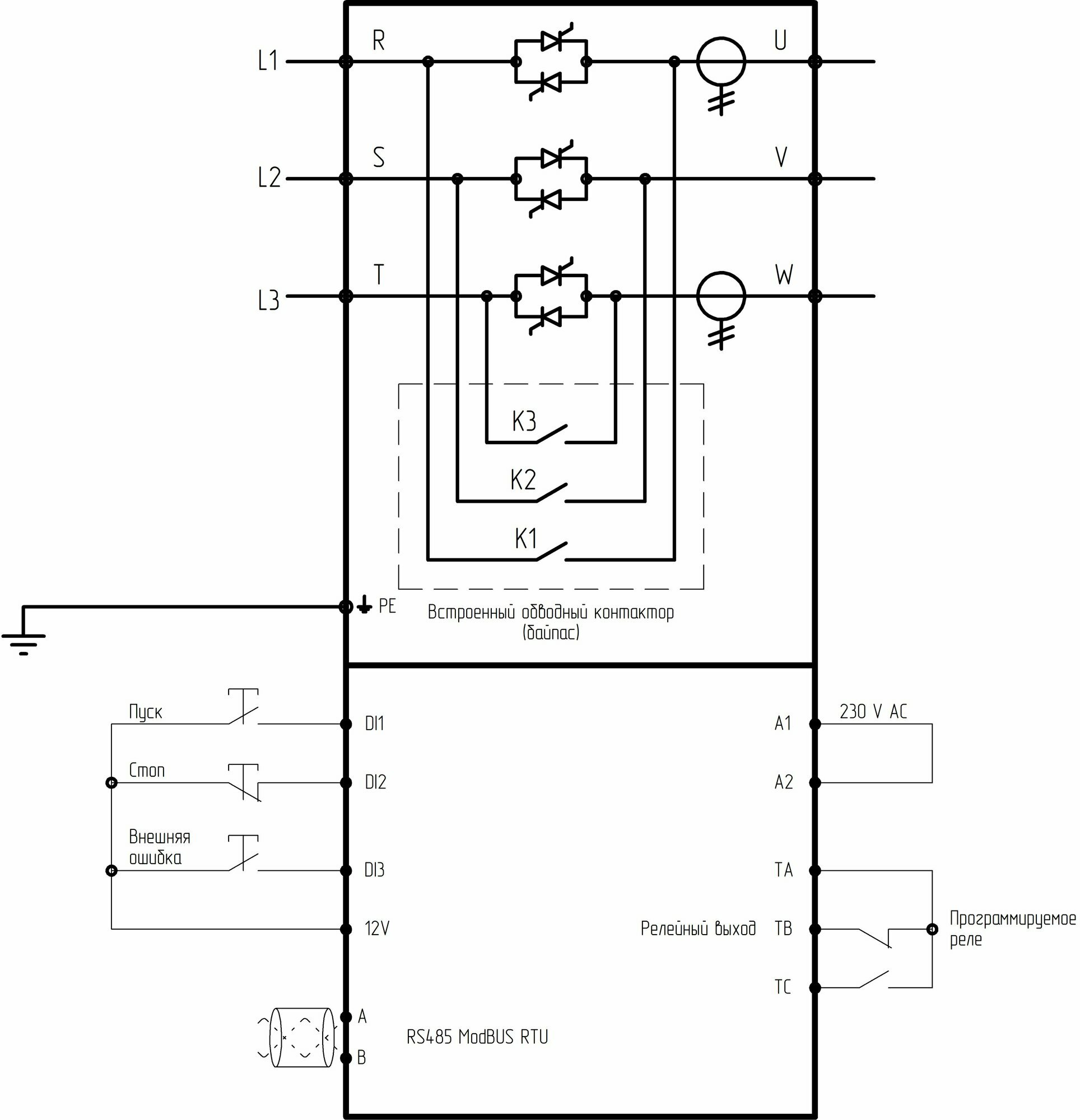
Устройство плавного пуска - SBIM наиболее компактное решение для управления электродвигателем (ширина всего 55мм) с функциями плавного пуска и останова. Русскоязычная графическая панель. Монтаж на DIN-рейку, или на монтажную плату. Серия оснащена встроенным обводным контактором, что обеспечивает высокую надежность и упрощает подключение. Конструкция корпуса позволяет выполнять установку без воздушных зазоров. Предустановленные настройки для типовых решений. Тип подключения к ЭД- в линию. Питание платы управления -230В, независимое от силовой части. Встроенный источник питания 12 В DC. Релейные выходы - 1 - 250 В АС до 3 А, 30 В DC до 3 А. 3 цифровых входа управления. Встроенный ModbusRTU. Гарантия -2года.
Купить Устройство плавного пуска SBIM-11/22-04, 11кВт 22.0А, 3 400 (380)B, IP20, байпас встроен с доставкой по всей России. Устройство плавного пуска SBIM-11/22-04, 11кВт 22.0А, 3 400 (380)B, IP20, байпас встроен: сравнение цен, характеристики, фото, актуальное наличие и цены.