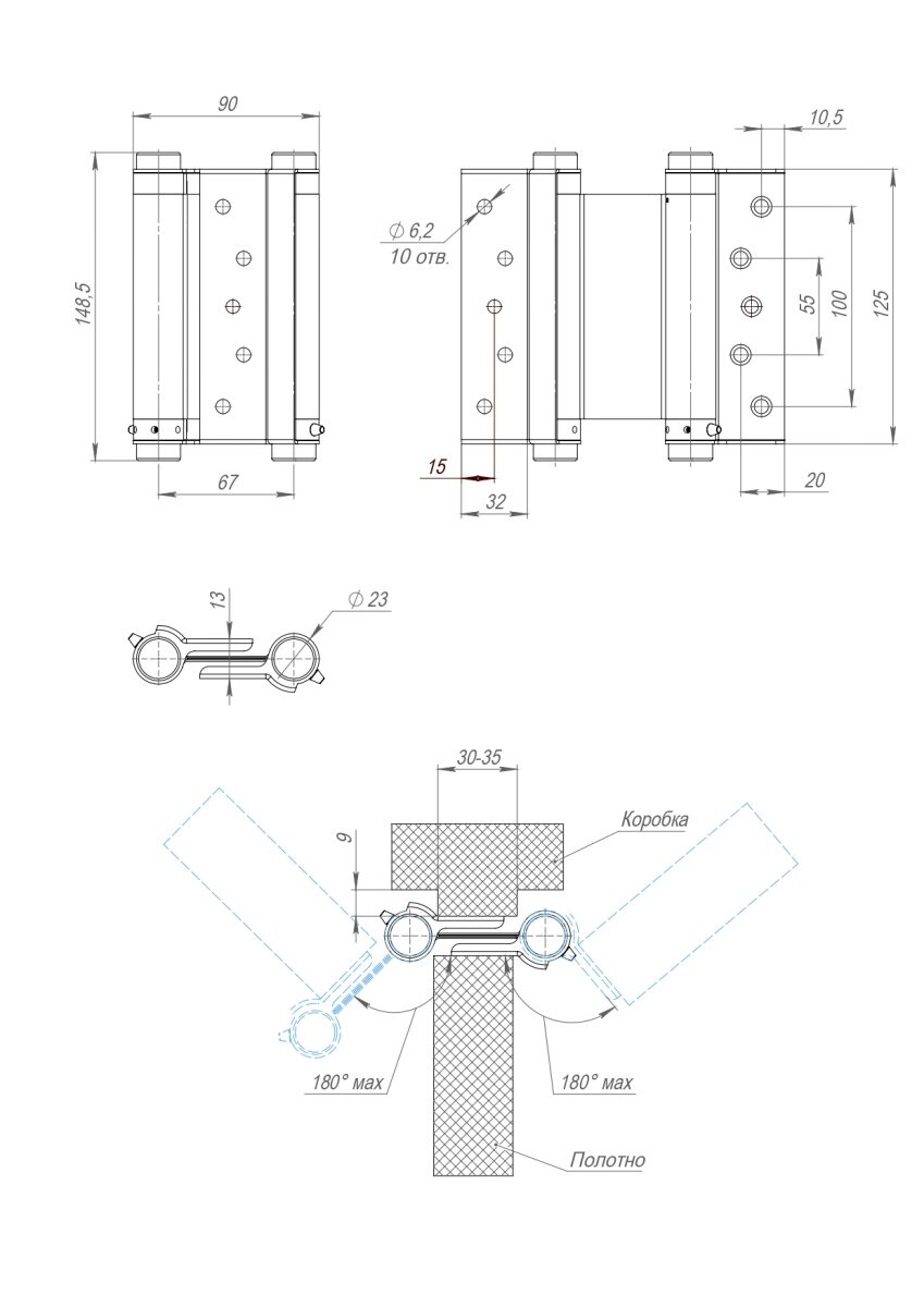
Петля двусторонняя (она же барная, пружинная, петля метро) применяется для деревянных дверей. Позволяет двери открываться в обе стороны, возвращает дверь в центральное положение (в створ). Втулки петель выполнены из техно-полимера, обеспечивают амортизацию, гарантируют тихую и плавную работу, увеличивают срок службы более 200 000 циклов. Специальный тормоз замедляет движение двери и уменьшает количество колебаний, это дает возможность использовать двери большего веса и размера. В комплекте с петлями идут полимерные пластины, облегчающие установку и гарантирующие надежное крепление. Выполнена из высококачественных материалов.
Купить Петля пружинная Armadillo (Армадилло) Aldeghi ALH.125.5 BL черный с доставкой по всей России. Петля пружинная Armadillo (Армадилло) Aldeghi ALH.125.5 BL черный: сравнение цен, характеристики, фото, актуальное наличие и цены.