Модульный реверсивный переключатель (рубильник) меандр РП-3-40
- Максимальный рабочий ток 40А
- Максимальное сечение присоединяемых проводников: 16 мм2
- Номинальное рабочее напряжение: AC230В для РП-1-40 и А400В для РП-2-40, РП-3-40, РП-4-40
- Клеммы с защитой от не правильного подключения провода
- Винт со шлицом PZ/FL-2
- Материал корпуса - ABS пластик светло серого цвета (RAL7035), класс горючести V0.
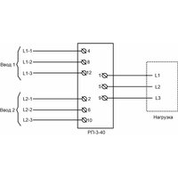
назначение устройства
Переключатели предназначены для ручного переключения нагрузки с одного ввода на другой и обратно. Модульные реверсивные переключатели серии РП современное поколение аппаратов, предназначенных для осуществления оперативного управления участками электрических цепей. Переключатель широко используется для установки как в жилых, так и в общественных зданиях.
внимание! Коммутация переключателей под нагрузкой НЕ допускается!