Частотный преобразователь DA0150G3 DA - это универсальное устройство для обеспечения плавной регулировки частоты асинхронных и синхронных двигателей. Данный частотный преобразователь обеспечивает плавный запуск и останов двигателя, способствуя продолжительности срока службы двигателей. Частотный преобразователь DA0150G3 поставляется под нашим собственным брендом DA "Доступная Автоматика" и тем самым мы можем обеспечивать выгодные условия для вас.
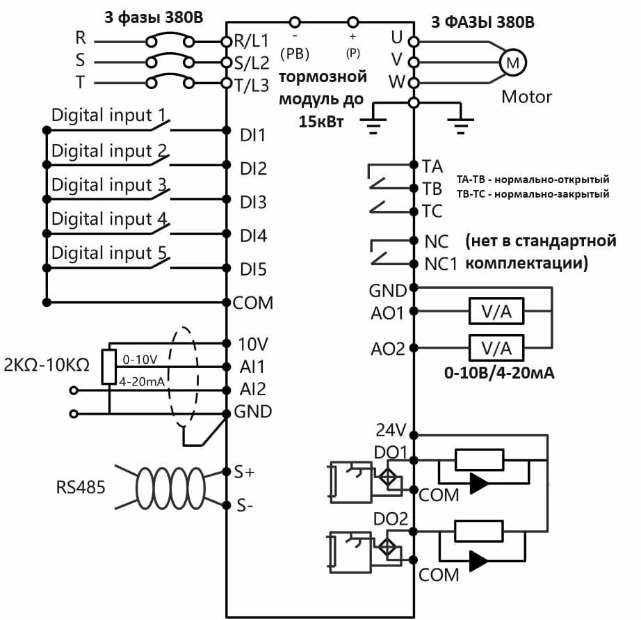
Частотный преобразователь DA0150G3 DA имеет входное напряжение 380В и номинальную мощность 15кВт, а также большое количество дискретных и аналоговых входов и выходов для обеспечения различных задач управления. Частотный преобразователь DA0150G3 имеет съемный LED дисплей через который производится программирование устройства и отображение технологических параметров. В комплекте с преобразователем частоты имеется кабель 1.5 метра для выноса панели управления на дверцу шкафа, а также инструкция пользователя на русском языке.
Краткие возможности и характеристики частотного преобразователя DA0150G3:
- векторное и скалярное управление
- поддержка ПИД регулирования
- поддержка протокола Modbus RTU
- возможность запуска ЧП с панели управления, с внешних клемм и через протокол Modbus RTU
- функция "поддержания давления" для насосных станций
- встроенный тормозной модуль в моделях до 15кВт включительно
- диапазон температур от -10 до +40°С (от 40 до 50°С снижаются номинальные характеристики)
- 5 дискретных входов, 2 аналоговых входа (0-10В/4-20мА), 2 дискретных выхода (24В), 1 релейный выход (но/НЗ), 2 аналоговых выхода (0-10В/4-20мА)
- диапазон регулировки частоты от 0 до 500Гц
- возможность корректировки несущей частоты от 0.5кГц до 16кГц
- многоскоростной режим через дискретные клеммы
- режим синхронного управления несколькими ЧРП (основной/резервный, основной/дополнительный) без ПЛК
- защиты: короткое замыкание на двигатель при включении, потеря выходной фазы, перегрузка по току, перенапряжение, пониженное напряжение, перегрев ЧП (можно включить или отключить при необходимости)
Частотный преобразователь DA0150G3 в первую очередь предназначен для насосного и вентиляционного оборудования, а также может применяться в станках и более тяжелых нагрузках. Если применяются более тяжелые нагрузки, то необходимо частотные преобразователи брать с запасом от номинала двигателя.
- Входное напряжение: 380В
- Номинальная мощность: 15кВт
- Номинальный ток: 32A
- Диапазон выходной частоты: 0-500Гц
- Габариты: 290*160*182мм
- Перегрузочная способность по току: 150%(60с)
- Количество дискретных входов: 5шт
- Количество аналоговых входов: 2шт
- Тип аналогового входа №1: 0-10В/0-20мА
- Тип аналогового входа №2: 0-10В/0-20мА
- Количество дискретных выходов: 2шт
- Количество аналоговых выходов: 2шт
- Тип аналогового выхода №1: 0-10В/0-20мА
- Тип аналогового выхода №2: 0-10В/0-20мА
- Количество релейных выходов: 1шт
- Тип релейного выхода №1: но/НЗ
- Степень защиты: IP20
- Диапазон рабочих температур: -10…+40°С
- Поддержка протокола Modbus: да
- Встроенный блок питания 24В: да
- Защита от повышенного напряжения: да
- Защита от пониженного напряжения: да
- Защита от перегрузки двигателя: да
- Защита от потери входной фазы: да
- Защита от потери выходной фазы: да
- Тормозной блок: встроенный
- ЭМС фильтр: отсутствует
- Вес: 5,5кг
- Встроенный ПИД: да
- Съемная панель: да
- Метод управления: векторный/скалярный